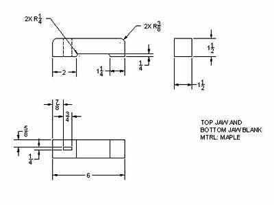
OK, now comes the fussiest part.
Drilling the holes for the pins in the bottom jaw that lock onto
the bar when the clamp is used.
Actually, about any spacing that allows the bar to go thru the
jaw will lock in place, but
you want the jaw to be perpendicular to the bar when
tightened down.
Making a couple of extra jaws for setup purposes helps, as well
as
using stop blocks on a drill press.
Now,
after cutting your bar to the desired length,
insert it in the top jaw and match drill the holes
thru the jaw and bar together.
Slide the bottom jaw on and go find something to
clamp.
I left mine unfinished.
An oil and / or wax finish would work fine if you want to
finish them.
Some of the commercial ones have cork applied to the clamping
portion of the jaws.
I didn't use any, and haven't noticed any problems with
marking what I'm clamping against.
I've been using mine for over twenty years now.
A few times, I've had a cam split when really cranking down
on them.
Just knock out the pin, cut a new cam and drill it while
holding it in position.
Insert the pin again, and it's back in business.
Go ahead and make a batch, you won't regret it.
Sam
|


|
|